Current location:Home > Product > Electromagnet Product Features > Double holding electromagnet

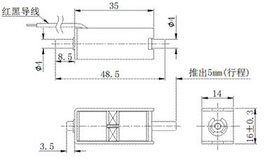
产品名称:KDL-0735K-01

KDL-0735K-01

Detailed

image052.gif


产品名称:双保持式电磁铁
产品型号:KDL-0735K-01
主要参数:
1.额定电压:12VDC
2.行程:5mm
3.力量:通电状态下行程5mm时力量150gf,未通电状态下0mm时最大保持力800gf
4.产品重量:55g
5.耐压:1秒 @700ACV 50/60Hz 最大漏电量0.1mA
6.绝缘等级:CLASS B(130°)
7.工作环境:环境温度:-5℃~+45℃;相对湿度: 20%~85%   
9.产品应用:电动汽车充电枪及其他领域

Hits:  UpdateTime:2018-04-13 15:08:54  【Printing】  【Close
Previous:KDL-0740K-01  Next:KDL-1564L-01