Current location:Home > Product > Electromagnet Product Features > Direct acting electromagnet

产品名称:KDL-1245L-01

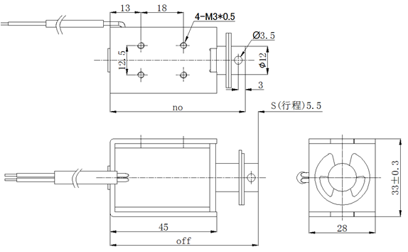
KDL-1245L-01

Detailed

image043.png


产品名称:直动电磁铁
产品型号:KDL-1245L-01
主要参数:
1.额定电压:6~48VDC
2.行程:0~10mm
3.力量:6400-90gf
4.产品重量:220g
5.耐压:1秒 @700ACV 50/60Hz 最大漏电量0.1mA
6.绝缘等级:CLASS B(130°)
7.工作环境:环境温度:-5℃~+45℃;相对湿度: 20%~85%   
8.寿命: 100万次
9.产品应用:广告用刻字机及其他领域


Hits:  UpdateTime:2018-04-13 15:05:52  【Printing】  【Close
Previous:KDL-1564L-01  Next:KDL-1040L-01