Current location:Home > Product > Electromagnet Product Features > Direct acting electromagnet

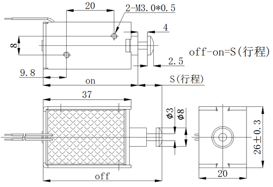
产品名称:KDL-0727S-01

KDL-0727S-01

Detailed

image027.png


产品名称:直动电磁铁
产品型号:KDL-0727S-01
主要参数:
1.额定电压:6~48VDC
2.行程:0~6mm
3.力量:1360-20gf
4.产品重量:45g
5.耐压:1秒 @700ACV 50/60Hz 最大漏电量0.1mA
6.绝缘等级:CLASS B(130°)
7.工作环境:环境温度:-5℃~+45℃;相对湿度: 20%~85%        
8.寿命: 50万次
9.产品应用:智能锁及其他领域

Hits:  UpdateTime:2018-04-13 14:57:44  【Printing】  【Close
Previous:KDL-0837L-01  Next:KDL-0630L-01